После получения необходимых документов: формы заявки и презентации проекта - наши специалисты постараются в кратчайшие сроки рассмотреть Ваше обращение, а эксперты предложат оптимальные варианты финансирования.
В связи с необходимостью снижения стоимости транспортировки газа бизнес ищет новые решения, такие как использование CNG (сжатый природный газ) и LNG (сжиженный природный газ).
В связи с тем, что природный газ после сжижения занимает меньше места, его транспортировка, особенно на значительные расстояния, более выгодна (1 м³ СПГ соответствует 600 м³ газа).
В промышленных масштабах сжижение природного газа и его транспортировка танкерами используется уже более 40 лет. Это требует расширения инфраструктуры, которая включает заводы СПГ, а также принимающие СПГ-терминалы и специальные газовозы.
Несмотря на техническую сложность и дороговизну высокотехнологичной инфраструктуры, в последние годы наблюдается рост доли СПГ в общем объеме продаж природного газа в мире.
В основном это связано с ускоряющимся техническим прогрессом и снижением затрат на сжижение, транспортировку и регазификацию благодаря новым решениям.
В настоящее время наибольшее количество сжиженного природного газа производится в США, Юго-Восточной Азии, регионе Персидского залива и Северной Африке. Значительная доля мирового спроса на СПГ сосредоточено в Японии, Южной Корее, Франции, Испании и других странах ЕС.
В случае Европы доля СПГ возрастет благодаря истощению газовых месторождений в непосредственной близости производителей СПГ.
Инженерное проектирование заводов сжиженного природного газа и строительство новых объектов пользуется растущим спросом в регионах, которые активно добывают газ и ищут более широкие рынки сбыта энергоресурсов без строительства газопроводов.
Список производителей СПГ уже насчитывает около 20 государств и расширяется.
Эксперты прогнозируют, что доля СПГ в мировом экспорте газа возрастет до 60% уже к 2040 году, поэтому интерес ведущих компаний к этому направлению вполне понятен. Сегодня мир ожидает газовая революция, и передовые технологии могут сыграть в ней важную роль, обеспечив конкурентные преимущества наиболее гибким производителям.
Если в начале 2000-х годов мощность заводов СПГ редко превышала 5 миллионов тонн в год, то сегодня компании по всему миру строят гигантские проекты, многократно превышающие возможности своих предшественников. Например, строящийся в Катаре завод мощностью 32 миллиона тонн в год, должен будет расширить возможности Северного поля почти до 100 миллионов тонн в год. Стоимость этого проекта достигает 32 миллиарда долларов.
Компания ESFC предлагает полный комплекс профессиональных услуг, связанных с финансированием и проектированием заводов сжиженного природного газа в любой точке мира.
Наша компания вместе со своими партнерами готова выступить в роли вашего ответственного ЕРС-подрядчика и предложить финансирование проекта на привлекательных условиях.
Принцип работы завода сжиженного природного газа
Сегодня природный газ — это важнейшее газовое топливно-энергетическое сырье, значение которого постоянно растет.Основным компонентом природного газа является метан, который сопровождается более высокомолекулярными газообразными (этан, пропан, бутан) и жидкими углеводородами, подлежащими предварительному удалению.
Природный газ легко смешивается с другими газообразными компонентами, включая монооксид и диоксид углерода, сероводород, азот, водород, гелий и аргон. Сухой природный газ получают из независимых месторождений, тогда как влажный природный газ извлекается из попутных нефтяных и газовых месторождений или из конденсатных месторождений, которые богаты высшими жидкими углеводородами.
Метановые газы, сопровождающие месторождения каменного угля, также рассматриваются как природный газ.
Состав природного газа из различных источников может существенно колебаться, поэтому технологию его очистки и сжижения необходимо адаптировать к составу разрабатываемого месторождения. В зависимости от состава исходного газа и предназначения СПГ обработка природного газа может быть направлена на его очистку от диоксида углерода, сероводорода, воды и других примесей.
Заводы СПГ осуществляют отделение тяжелых углеводородов, денитрификацию и восстановление гелия разными техническими методами.
Поскольку сжиженный природный газ имеет объем примерно в 600 раз меньше объема газа при нормальных условиях, это позволяет транспортировать его за пределы трубопроводной сети морским и наземным транспортом. В сжиженном виде природный газ имеет плотность энергии около 55 ТДж / тонну, что на 31% выше, чем удельная энергия сырой нефти, составляющая около 41,9 ТДж / тонну.
Процесс сжижения требует больших инвестиций и потребляет большое количество энергии, поэтому данный метод выбирается только тогда, когда расстояние до потребителей слишком велико для его «экономичной» транспортировки по наземному газопроводу, или когда характеристики земли, газопровода и внешних факторов противодействуют адекватной поставке природного газа традиционным способом.
Природный газ также можно сжижать, чтобы периодически хранить излишки этого сырья рядом с получателем.
Заводы СПГ, построенные непосредственно рядом с месторождением, обычно имеют высокую эффективность и не требуют дорогостоящей инфраструктуры.
Процессы подготовки и сжижения природного газа
Первое звено в цепочке СПГ — завод по сжижению газа.Перед началом конденсации газ осушается, а также удаляется углекислый газ и остальные примеси.
Сжижение природного газа достигается снижением его температуры до -1620C. В зависимости от необходимой мощности, состава газа и его давления подбирается подходящий тип оборудования.
Перед сжижением природный газ должен пройти ряд процессов по удалению тяжелых углеводородов и загрязняющих веществ, которые не были удалены после добычи. Питающий газ на установку обычно подается при комнатной температуре, которая обычно соответствует температуре газопровода, и под давлением, которое зависит от рабочих условий газовой сети.
Цикл сжижения газа работает при давлении примерно 50-70 бар, поэтому во многих случаях требуется повышение давление при помощи специального компрессорного оборудования для обеспечения эффективного и непрерывного технологического процесса. Важная роль в этом процессе принадлежит высокотехнологичным фильтрам и другим системам для эффективной очистки и отделения ценных компонентов, которые в дальнейшем могут храниться и использоваться по назначению.
В настоящее время на рынке существуют различные концепции производства СПГ, но все они основаны на охлаждении природного газа до температуры, при которой природный газ становится жидким при атмосферном давлении.
Основными решениями для инженерного проектирования заводов СПГ являются классический каскадный цикл, каскадный цикл автоохлаждения и понижение давления газа с помощью турбодетандера.
После сжижения газ хранится в специальных резервуарах, откуда заправляются танкеры для перевозки СПГ (так называемые метановозы).
Отдельные этапы, оборудование и технологии предварительной обработки и сжижения природного газа будут кратко изложены в следующих разделах в ознакомительных целях.
Команда ESFC готова проконсультировать вас по любым финансовым и техническим вопросам строительства завода сжиженного природного газа.
Обратитесь к нам, чтобы узнать больше о наших возможностях для вашего проекта.
Основы инженерного проектирования завода СПГ
Заводы по производству сжиженного природного газа представляют собой уникальные проекты, каждый из которых разрабатывается согласно индивидуальным требованиям, в зависимости от характеристик исходного газа и запросов клиента относительно количественного выхода и качества готовых продуктов.На рисунке ниже представлена блок-схема, на которой показаны этапы переработки природного газа на заводе СПГ. Это общий обзор этапов максимального использования газа от выхода газа из скважины до его сжижения. Каждый из них представляет собой отдельный этап переработки с соответствующими технологиями, которые разрабатываются и внедряются в соответствии с желаемыми продуктами.
Рисунок: компоненты и принцип работы завода СПГ и связанной инфраструктуры.

В ходе инженерного проектирования завода СПГ команде приходится решать многочисленные проблемы, такие как поиск и оптимальный путь внедрения технологий очистки определенных примесей.
Каждый этап технологического процесса, от удаления примесей до фракционирования, представляет собой уникальный вызов, требующий глубоких профессиональных знаний, практического опыта и широкого использования современных технологий и оборудования.
Добыча и предварительная очистка газа
Скважинные работы включают первый контакт оборудования с газом после того, как он выходит из скважины, проходя через поверхность земли через пластовую трубу.На устье скважины устанавливается система клапанов и соединений, предназначенных для изменения давления таким образом, чтобы обеспечить работу исходного оборудования. Это процесс строго контролируется приборами для измерения давления, которые передают зарегистрированную информацию в диспетчерскую.
Газ проходит непосредственно в трехфазный сепаратор, способный работать с углеводородами, водой и газом. Это оборудование называют «выталкивающими барабанами» (knock-out drums), потому что на его входе имеется расходящийся элемент, который резко сталкивается с газом, разделяет поток и компоненты, которые этот поток увлекает. В этом случае на устье скважины должны быть резервуары для хранения конденсата, откуда углеводороды поступают на завод по производству СПГ.
На всех заводах СПГ проводятся первоначальные операции по очистке газа, в ходе которых удаляются исходные жидкие углеводороды и твердые частицы, которые могли быть унесены из скважины.
Также осуществляется предварительное удаление жидкости и профилактика образования гидратов, удаление кислых газов (CO2 и H2S), сжатие и стабилизации давления.
Так называемые двухфазные сепараторы (scrubbers) эффективно отделяют газ от жидкостей, которые он может содержать в скважинах со стабильными газовыми подушками.
Разделение крайне важно, если добываемый природный газ несет значительный процент тяжелых углеводородов и воды, как в случае попутного газа.
Природный газ, поступающий на завод СПГ, теряет давление во время транспортировки из-за потери мощности, расширения и охлаждения газа, так что разные паровые фракции будут конденсироваться, увлекая с собой примеси. Следовательно, требуются гравитационный сепаратор конденсата (slug-catcher) и фильтр для твердых частиц, способный удерживать частицы размером более 1 микрона.
Впоследствии давление газа повышается до значений, совместимых с термодинамическими преобразованиями, которым газовый поток подвергнется в процессе сжижения. Как правило, для каскадного процесса требуется около 45 бар, в то время как для технологического процесса со смешанным хладагентом требуется еще большее давление.
Отделенная вода и твердые частицы после разделения подготавливаются к утилизации или дальнейшей обработке, тогда как конденсированные углеводороды направляются в системы извлечения или фракционирования, в зависимости от технологического процесса.
Регулирование давления газа
На всех заводах СПГ изначально планируются допустимые требования к исходному газу, которые используются при инженерном проектировании оборудования, которое связано с любым технологическим процессом.Однако условия в скважине крайне вариабельные, что требует предварительной подготовки природного газа перед его переработкой.
Важная роль принадлежит компрессорному оборудованию, которое регулирует давление природного газа, поступающего на следующие этапы технологического процесса. Точная стабилизация давления газа обеспечивает повышение эффективности переработки и предохраняет оборудование от возможных поломок.
Если на заводе будут использоваться технологии высокого давления, такие как системы для очистки от серы и обезвоживания с помощью контакторов и молекулярных сит, необходимо адаптировать давление в этой точке. Это экономически эффективное решение, позволяющее на следующих этапах технологического процесса обеспечить лучшее отделение конденсируемых веществ при меньших расходах.
На данном этапе устанавливаются специальные компрессоры для работы с очень высоким давлением, однако конкретные параметры оборудования инженеры адаптируют к тому или иному процессу.
Системы охлаждения также часто используются для предотвращения механических повреждений компрессоров из-за высокой температуры.
Работа с высокими давлениями, как в случае системы сжижения природного газа, требует строгих проектных спецификаций, поскольку в процессе создаются критические условия. В каждом случае инжиниринговая команда разрабатывает кастомизированный комплекс оборудования, позволяющий адаптировать поступающий газ к требованиям дальнейших стадий производства СПГ и сопутствующих продуктов.
Очистка природного газа
Природный газ из скважины может содержать компоненты, которые отрицательно влияют на его качество и свойства, поэтому при инженерном проектировании заводов СПГ необходимо продумать начальную стадию удаления кислых газов (H2S, CO2, меркаптаны).Эффективная очистка исходного газа позволяет в дальнейшем избежать коррозии оборудования при переработке газа и избежать снижения качества готового продукта. Многие заводы используют процессы удаления кислых газов, обычно называемые подслащиванием, с использованием абсорбционных систем с водными растворителями, способными удерживать эти соединения.
Однако это непростая задача, поскольку сложно выбрать наиболее подходящий растворитель для обработки.
Оборудование для обезвоживания природного газа
В общем, условия в скважине приводят к насыщению природного газа водяным паром, однако изменения условий, возникающие при переходе к поверхности, вызывает частичную конденсацию воды.При прохождении через оборудование природный газ даже с небольшим количеством воды может вызвать коррозию труб, а также серьезное повреждение компрессионных систем и снижение теплотворной способности.
Остаточная вода в природном газе при глубоком замораживании может вызвать засоры из-за осаждения частиц в трубах, что приведет к отказу оборудования. По этой причине инженеры уделяют повышенное внимание процессам обезвоживания природного газа перед поступлением на завод для производства СПГ.
Примером оборудования для удаления жидкости может служить фильтр-сепаратор. Это оборудование обычно состоит из двух отсеков. Первый отсек содержит фильтрующую среду, в которой собираются и отделяются тяжелые капли воды при прохождении природного газа. Частицы переносятся во второй отсек, который содержит туманоуловитель, собирающий воду и направляющий в резервуар для хранения. Таким образом газ очищается от жидкостей, которые потенциально могут вызвать проблемы в работе установки.
Чтобы эффективно удалить воду, можно использовать передовые технологии, некоторые из которых основаны на разделении в растворах, а другие на адсорбции в неподвижной фазе.

Разделение и извлечение углеводородов
В зависимости от состава природного газа и требований заказчика к конечным продуктам переработки, заводы СПГ внедряют различные способы извлечения жидких продуктов на стадии начальной сепарации, стадии сжатия и фракционирования.Существуют различные способы использования извлеченных продуктов в зависимости от состава газа. Во многих случаях проводится полное извлечение каждого компонента, то есть строгое разделение каждого из присутствующих углеводородов (например, этан, пропан, изобутан). Поскольку сжиженный природный газ на 98% состоит из метана и содержит не более 2% прочих легких углеводородов, процесс его получения связан с техническими трудностями, особенно при использовании некоторых типов исходного природного газа.
Существуют различные способы очистки газов от конденсируемых и твердых жидкостей.
Оборудование, используемое для этой цели, называется сепараторами, и их работа связана исключительно с типом примесей и составом газа.
Разделительное оборудование должно справляться не только с жидкой и газообразной фазами, но и эффективно разделять несмешивающиеся жидкие фазы, такие как вода и углеводороды.
Повторная закачка азота
Привычной практикой вторичной добычи углеводородов является закачка газа, который добывается на наземных сооружениях, но не вызывает ухудшения качества извлекаемых углеводородов, чтобы обеспечить достаточное давление в скважине.Одним из неорганических компонентов с наибольшей долей в природном газе является азот, который необходимо удалять, чтобы производить топливо более высокого качества, которое соответствует международным стандартам. По этой причине инженеры задействуют системы извлечения и повторной закачки азота, извлеченного из природного газа, что для эксплуатации скважин является адекватным решением.
Существуют разнообразные технологии для отделения азота от природного газа, начиная от криогенного разделения до адсорбции на молекулярных ситах.
Их использование зависит от характеристик входящего газа, стоимости процессов и назначения отделенного газа.
Извлечение компонентов с низким содержанием
В соответствии с характеристиками месторождений, природный газ может содержать некоторые вещества в очень низкой пропорции по сравнению с углеводородами или кислыми газами.При проектировании оборудования для извлечения компонентов с низким содержанием важно учитывать два основных фактора.
Во-первых, выбор оборудования должен обеспечивать низкую стоимость производства. Эти средства следует инвестировать в надежные технологические процессы и оборудование для извлечения ценных компонентов, потому что стоимость их производства из других источников может быть выше или из-за отсутствия другого доступного источника. Это относится к таким продуктам, как гелий, аргон, бензол, толуол, этилбензол и ксилол.
Второй фактор — возможные проблемы при эксплуатации, вызванные засорением оборудования высокого давления, такого как молекулярные сита. Кроме того, вредные вещества в составе исходного природного газа могут вызывать долгосрочные проблемы со здоровьем потребителей и экологическое загрязнение.
Поэтому заводы СПГ должны эффективно удалять примеси ртути, мышьяка и радона (радиоактивный материал).
Оборудование для сжатия природного газа
После того, как природный газ был обработан для удаления компонентов таким образом, чтобы он соответствовал спецификациям, он поступает на мощные компрессоры для сжатия и последующей подачи на установку сжижения для производства СПГ.Большинство заводов СПГ, использующих криогенные системы, устанавливают турбодетандеры, где за счет внезапного уменьшения давления газ охлаждается, а энергия, создаваемая расширением газа, используется в компрессорах того же процесса. При проектировании оборудования для этого процесса важно точно рассчитывать степень сжатия, поскольку ошибки на данном этапе в зависимости от материала конструкции могут привести к повреждению оборудования и требовать дорогостоящего ремонта.
Сжижение природного газа
СПГ производится из природного газа в процессе сжижения.Конденсацией называется явление изменения агрегатного состояния, переход вещества из газовой фазы в жидкую.
Это может происходить при нормальном давлении и температуре окружающей температуры ниже критической. Конденсация газа связана с уменьшением расстояния между молекулами его частиц. Падение температуры заставляет частицы двигаться медленнее, силы взаимодействия между ними увеличиваются, пока не будет достигнуто новое состояние равновесия.
Процесс конденсации может отличаться, когда в газе есть примеси.
Основной компонент природного газа — это метан. Кроме него, природный газ содержит этан, пропан и более тяжелые углеводороды, а также азот, кислород, углекислый газ, сера. В процессе сжижения природный газ нужно тщательно очищать в основном от воды и углекислого газа, чтобы предотвратить образование твердых частиц при охлаждении. В результате получается очень чистый сжиженный природный газ, состоящий из 98% метана и 2% примесей.
Проще всего природный газ сжижать в одноступенчатых чиллерах Джоуля-Томсона или Брайтона.
Рабочей средой чиллеров может быть метан или азот.
Природный газ проходит через теплообменник, где охлаждается при контакте с окружающей средой.
Теплообменник служит основным элементом газового конденсатора. Недостатком подобной системы, является большая разница температур между испаряющимся метаном или азотом и охлажденным природным газом, что предопределяет относительно низкую термодинамическую эффективность процесса.
Сжижение природного газа может происходить в каскадных системах с использованием трех чистых хладагентов (пропана, этилена и пропана). В таких системах охлаждающая мощность генерируется на трех уровнях температуры, и разница температур намного меньше, чем в случае одноступенчатой системы.
Дальнейшее повышение эффективности может быть достигнуто путем замены чистых газов смесями, подобранными так, чтобы разница температур между СПГ и испаряющимися хладагентами не превышала нескольких градусов Кельвина в любой точке теплообменника.
Трехступенчатые системы смешения и расширения сегодня являются наиболее термодинамически эффективными системами сжижения природного газа.
Таблица: некоторые методы сжижения, используемые на заводах СПГ.
| Метод | Краткое описание |
| Классический каскадный цикл | Очищенный от углекислого газа и воды, природный газ проходит под давлением через систему и охлаждается в трех циклах охлаждения, в которых хладагентами являются пропан, этан и метан. Пропан из первого цикла используется одновременно для сжижения этана из второго цикла и этана из второго цикла для охлаждения метана в третьем цикле. Преимущество этого метода в энергоэффективности. Недостаток — большое количество установок для осуществления процесса, а также высокий спрос на чистый этан и пропан. |
| Каскадный цикл со смешанным хладагентом | Это модификация классического каскадного цикла производства СПГ с использованием только одного компрессора и одного хладагента, представляющего собой смесь углеводородов. Природный газ сначала охлаждается с использованием пропанового холодильного цикла, а затем охлаждается смесью углеводородов. Этот метод более энергоемкий, чем классический каскадный цикл, но его преимуществом будет меньшее количество установок. В связи с меньшими эксплуатационными расходами метод пользуется спросом. |
| Цикл декомпрессии с турбодетандером | Установки сжижения природного газа методом, основанным на цикле декомпрессии, работают по принципу, аналогичному классическому методу Джоуля и Томпсона. В этом процессе часть газа расширяется в устройстве, называемом турбодетандером, а затем охлаждается до очень низкой температуры. В последующем охлажденный газ используется для конденсации остальной части газа, протекающего через установку. Этот метод относительно прост и требует небольших инвестиций. Однако цикл декомпрессии потребляет много энергии, которая нужна для сжатия газа. По этой причине метод используется преимущественно заводами СПГ, имеющими доступ к дешевой энергии. |
В промышленности существует несколько технологий сжижения. Наиболее широко используются Air Products и ConocoPhillips Optimized Cascade и их модификации.
Помимо вышеперечисленных, существуют многочисленные технологии для производства СПГ в особых условиях. Например, широко известная технология AP-C3MR, применимая для жарких стран. В целом, технологии сжижения природного газа стремительно развиваются, становясь дешевле и эффективнее.
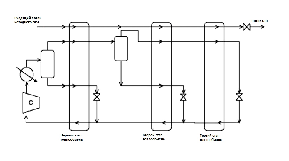
Принципиальная схема установки сжижения газа представлена на рисунке ниже.

Чтобы решить проблемы адаптируемости, иногда следует увеличить первоначальные инвестиции, чтобы обеспечить более высокую мощность завода и повысить эффективность использования энергии.
Другими словами, крупные заводы по сжижению природного газа требуют относительно больших инвестиций, которые производители оправдывают снижением себестоимости продукции на единицу объема газа.
Чтобы повысить эффективность расхода энергии, часто используются циклы самоохлаждения / конденсации, которые требуют высокой скорости циркуляции хладагента. Из-за высокого энергопотребления в процессах охлаждения газа инжиниринговые команды постоянно ищут альтернативы, повышающие энергоэффективность и конкурентоспособность новых заводов СПГ.
Выбор термодинамического цикла является фундаментальным шагом в разработке процесса, поскольку он представляет вместе с получением сырья около 75% производственных затрат.
Восстановление третичных компонентов
Как правило, природный газ дает топливо, хладагенты и ценные компоненты в небольшой пропорции, однако на стадиях обработки газа также извлекаются компоненты, которые могут снизить качество основных продуктов или вызвать проблемы в работе установки.Эти компоненты в основном представляют собой кислые газы (H2S, CO2, меркаптаны), которые не могут выбрасываться в атмосферу по разным причинам, в том числе из-за экологического законодательства, надлежащей производственной практики и высокой стоимости оборудования, используемого для их удаления.
В соответствии с количеством данных соединений и их относительной долей в природном газе их следует рассматривать как сырье для производства дополнительных химических продуктов. Команда, отвечающая за инженерное проектирование завода сжиженного природного газа, может предложить различные решения, направленные на повышение рентабельности инвестиций благодаря этим процессам.
Заводы СПГ получают такие продукты в процессе удаления серы, CO2 и других веществ, поставляя восстановленные соединения для химических заводов.
В дальнейшем это сырье используется для производства серной кислоты, мочевины, карбамида.
Хранение и транспортировка СПГ
Хранение и транспортировка сжиженного природного газа конечным потребителям являются важными этапами работы завода, требующими пристального внимания инженеров.Более того, емкости для хранения СПГ в некоторых проектах составляют до 30% общей стоимости проекта, что объясняется строгими стандартами безопасности и требованиями к конструкции, материалам и способам соединения элементов.
Транспортировка СПГ по морю является одной из самых экономически выгодных услуг для газовой промышленности, потому что соответствующее оборудование и корабли позволяет компаниям безопасно перевозить газ на большие расстояния в короткие сроки.
Однако сегодня предлагаются и другие альтернативы, такие как транспортировка по суше с использованием специальных цистерн. Этот путь широко используется для перевозки газа между точками обслуживания и распределения. Выбор способа хранения и транспортировки продукции тесно связан с другими вопросами инженерного проектирования будущего объекта, поэтому он должен решаться комплексно в рамках общего проекта.
Инженерное проектирование вспомогательного оборудования и систем
Все этапы переработки природного газа потребуют строительства и установки комплекса вспомогательного оборудования, систем управления и компьютерных инструментов.Этот аспект связан с разработки планов действий в чрезвычайных ситуациях и безопасной обработки газа, постоянного удаленного мониторинга и контроля.
Практическая реализация инвестиционного проекта подобного масштаба подразумевает огромную ответственность инжиниринговой компании за каждую деталь, которая должна строго соответствовать техническим спецификациям.
Сжижение природного газа является одной из самых сложных, опасных и ответственных операций в контексте промышленной безопасности, поскольку легковоспламеняющиеся компоненты обрабатываются на каждой стадии, и любые ошибки в конструкции оборудования должны быть исключены на этапе инженерного проектирования.
Вспомогательное оборудование для заводов СПГ
Завод по производству сжиженного природного газа представляет собой большой город, состоящий из сотен технических элементов, десятков отделов и многочисленных служб.Для непрерывной работы гигантский комплекс должен получать электричество, охлаждающую воду и высокотемпературные жидкости для теплообмена. Здесь работают системы вентиляции, оборудование сбора и обработки жидкостей, системы для водоочистки и другие критически важные узлы, контролируемые компьютеризированными системами.
Большинство заводов СПГ используют турбодетандерное оборудование для выработки определенной части потребляемой электроэнергии.
Другие системы выработки энергии, такие как когенерационные системы, могут значительно снизить затраты.
Жидкие теплоносители, такие как пар или термомасла, требуются в основном в системах регенерации растворителей, поэтому их потребление невелико в установках такого класса по сравнению, например, с потреблением тепловой энергии на нефтеперерабатывающем заводе. Охлаждающая вода используется в теплообменных системах, конденсаторах и компрессорах.

Непрерывная подача чистого и сухого воздуха имеет решающее значение для работы завода из-за большого количества регулирующих клапанов под давлением. На объектах такого типа используются резервные компрессоры.
Другой распространенной системой являются линии продувки азотом, используемые для компенсации давления в оборудовании.
Системы управления производством
Контрольные операции на заводе сжиженного природного газа являются одним из наиболее важных дополнительных процессов, который обеспечивает оптимальные рабочие условия и поддержание требуемых характеристика всех сред и продуктов.Инжиниринговая команда разрабатывает индивидуальные цифровые системы управления (DCS) для каждого блока оборудования, регистрирующие переменные и отправляющие сигналы исполнительным механизмам, которые будут перемещать клапаны, активировать насосы либо выполнять другое действие. Сегодня существует тенденция к объединению всех установок под единой компьютеризированной системой, что повышает качество и безопасность технологического процесса в целом.
Существуют также сложные механизмы, такие как расширенные процессы управления (APC), которые объединяют существующие DCS и обеспечивают четкое структурирование процесса управления.
В APC используются многопараметрические алгоритмы, которые описываются процессом и позволяют оптимизировать каждую операцию в целом, внося изменения в несколько исполнительных механизмов.
Заводы СПГ широко используют системы SCADA (контролируемое управление и сбора данных), которая контролирует работу скважин, позволяет управлять, например, установками обезвоживания газа и очистки от серы. Эти системы могут быть соединены с разными датчиками, в том числе с косвенными датчиками состава, использующими клапаны в качестве конечного элемента управления.
Обычно такая система имеет серию распределенных датчиков давления, температуры и расхода в сочетании с надежными приборами, которые позволяют анализировать состав (хроматография, инфракрасный, масс-спектрометрический датчики) и определять компоненты газа. Все это привязано к центральной операционной системе, которая перенаправляет сигналы исполнительным механизмам.
Системы безопасности
Системы безопасности завода СПГ объединяют все те планы, устройства, оборудование и / или процессы, которые направлены на улучшение жизни людей в близлежащих населенных пунктах и рабочих, а также на обеспечение целостности оборудования, минимизацию затрат, связанных с отказами, авариями и любой опасной ситуацией.Заводы сжиженного природного газа должны включать системы аварийного отключения и закрытия клапанов, чтобы избежать утечек газа в технологическом оборудовании, системах вентиляции и улавливания паров. Бойлеры или система сжигания должны быть рассчитаны на сжигание не менее 80% обрабатываемого газа, поскольку в случае аварийной ситуации на заводе это последний вариант.
К другим устройствам безопасности относятся уплотнительные клапаны, антистатические системы и электрическая защита оборудования, разрывные мембраны, противопожарные ловушки, системы противопожарной защиты, системы защиты от наводнений, оборудование повышенной сейсмостойкости, наличие допуска подвижности конструкций и др.
Как правило, все оборудование завода СПГ должно быть спроектировано с учетом условий экстремально высокого давления и температуры, которые оно поддерживает, в дополнение к запасам прочности при наполнении и хранении газа.
Все меры предосторожности, которые принимаются во внимание инжиниринговыми командами при проектировании систем безопасности, должны быть рассчитаны на полный отказ. Кроме того, инженеры учитывают существующие отношения с другим оборудованием, разрабатывая матрицы безопасности на случай отказа и процедуры, которые позволяют операторам действовать правильным образом для решения проблемы.
Наши услуги для газовой промышленности
Zero Prepaid Loan and Finance Investment Company, международная компания, предлагает долгосрочное финансирование строительства проектов газовой промышленности на гибких условиях.Мы с партнерами предлагаем следующие услуги:
• Проектное финансирование заводов СПГ.
• Инженерное проектирование заводов СПГ различного типа.
• Строительство объектов нефтегазовой инфраструктуры по ЕРС-контракту.
• Эксплуатация и обслуживание заводов СПГ и других объектов.
• Модернизация нефтегазовых предприятий.
ESFC предлагает проектное финансирование и банковское кредитование крупных проектов на длительный срок.
Мы активно взаимодействуем с партнерами в Европе, США, Латинской Америке, Северной Африке, на Ближнем Востоке и в странах Восточной Азии, используя передовые технологии и передовые финансовые инструменты для решения проблем клиентов.
Свяжитесь с нашими представителями в любое время, чтобы узнать больше.



